BETEX
Hotline: 096 779 3398 Email: sales@mike.vn 🇻🇳 🇬🇧
BETEX
Con đội thủy lực

Con đội lực thủy lực có móng BETEX TOE, kích móc

★ 0.0 (0 đánh giá) • Đã bán 12
Lượt xem: 0
Nhập khẩu từ: Hà Lan
Con đội thủy lực có móng, tải trọng nâng 1.2 - 25 tấn, nhập khẩu trực tiếp từ Betex - Hà Lan. Vật liệu thép phủ một lớp chrome bề mặt để nó cứng và ít chịu tác động môi trường, hành trình 100-148mm.
SKU: TOE
14.145.000 đ - 79.075.000 đ
Trạng thái kho: 2
Giá đã bao gồm VAT
Mô tả

TOE là con đội thủy lực có móng, cần thiết trong công tác bảo trì, bảo dưỡng công nghiêp. Khi nói về con đội thủy lực thì không mấy xa lạ đối với các anh em kỹ thuật. Trực tiếp tham gia vào quá trình sửa chữa bảo dưỡng lại càng rành. Vì nó luôn được thấy ngay trước mặt vậy. Đối với đội thủy lực thì nguyên lý hoạt động của nó giống nhau, khác là BETEX TOE thì có móng.

Cơ chế bơm hoặc xả dầu thủy lực bên trong xi lanh thủy lực, dầu thủy lực sẽ được cấp bởi một bộ nguồn thủy lực, đối với con đội thủy lực thì bộ nguồn luôn được gắn liền thành một khối. Bộ nguồn này có thể dẫn động thông qua bơm thủy lực được dẫn động bằng một motor khí nén, hoặc sẽ dẫn động bằng bơm tay vì 2 loại này tương đối nhở gọn, còn dẫn động bằng motor điện thì hầu như không thấy vì kết cấu cồng kềnh.

Tất cả các liên kết này đều được đấu nối trong môt hệ thống khép kín. Điều này sẽ giúp cho thiết bị không bị rò rỉ bởi các yếu tố bên ngoài vào trong xilanh và buồng chứa dầu, đồng thời sẽ giúp cho dầu thủy lực không bị thất thoát trong quá trình sử dụng, giúp nâng cao tuổi thọ thiết bị và giảm chi phí bảo trì, bảo dưỡng.

Con đội lực thủy lực có móng, kích móc BETEX TOE

Về thiết kế cũng có nhiều loại thiết kế khác nhau, phạm vi ứng dụng khác nhau nhưng chức năng là giống nhau. Trong bài viết này mình sẽ nói về Con đội thủy lực bơm dẫn động bằng tay, hồi về bằng lò xo TOE JACKS.

Các thiết kế cơ bản thì đều giống các loại khác, nhung điểm khác biệt ở đây là sự tích hợp của hai chức năng trên cùng một thiết bị đó là: Nâng và Kéo, tải trọng nâng luôn gấp đôi tải trọng kéo, tải trọng nâng sẽ nằm trên đỉnh con đội đó là phần tiếp xúc trực tiếp của ti xylanh vào vật nâng. Tải trọng kéo là phần móc dạn chữ Z đây là kết nối trung gian với đỉnh ti Xylanh.

Đối với thiết kế này sẽ giúp phạm vi ứng dụng được rộng hơn. Đó là khi khoảng trống từ mặt đất với mặt thiết bị bị nâng nhỏ, gần như sát rạt thì phần móc chữ Z của TOE JACKS sẽ giải quyết trường hợp này, còn khi khoảng cách lớn thì sẽ sử dụng phần đỉnh đội trực tiếp.

Cách vận hành con đội thủy lực Betex TOE

  1. Ở đây là phần móc chữ Z khi áp dụng để kéo thì tải trọng sẽ luôn bằng ½ tải trọng của đỉnh xylanh.
  2. Đối với thiết kế này thì khi thao tác nâng thì Con đội phải luôn được đặt theo phương thẳng đứng để đảm bảo phần đế luôn tiếp xúc với mặt đất, không áp dụng đẩy ngang nhé, nếu đẩy ngang sẽ có loại thiết kế khác.

Về cách vận hành: con đội thủy lực Betex này cũng rất đơn giản vì hoàn toàn là cơ khí, toàn bộ các liên kết đã được cố định trên một khối. Phần tay bơm( tay đòn, cần bơm….) một đầu được bọc cao su có gân để êm tay và tăng độ ma sát, đầu còn lại để trơn và có tạo rãnh, phần rãnh này là để mở và đóng Van cho quá trình nâng hạ. Tay bơm được thiết kế kiểu ống lồng dạng Anten có các nấc điều chỉnh kích thước dài – ngắn sao cho phù hợp nhất trong quá trình thao tác.

Các biến thể của kích móc BETEX TOE

Biến thể: đối với dòng sản phẩn này có tổng cộng là 8 model với tải trọng nâng từ: 2,5 – 50 tấn. Tải trọng kéo từ: 1,2 – 25 tấn. Các thông số chiết tiết chúng ta sẽ theo dõi theo bảng thông số bên dưới đây.

Model Mã hàng Tải trọng nâng tấn Tải trọng móc tấn Hành trình mm. Chiều cao đóng A mm
TOE-025 731025 2.5 1.2 100 194
TOE-040 731040 4 2 110 204
TOE-060 731060 6 3 110 212
TOE-100 731100 10 5 130 258
TOE-160 731160 16 8 131 275
TOE-200 731200 20 10 140 303
TOE-300 731300 30 15 147 322
TOE-500 731500 50 25 148 333

Về hoạt động: thì khi cần nâng thì ta sẽ khóa van Bi, chặn dầu về theo chiều kim đồng hồ, thường sẽ vặn khoảng 2 vòng theo chiều kim đồng hồ là chặt tay lúc này sẽ tiến hành bơm thì xilanh sẽ đi ra, còn khi muốn hạ xuống, ta cũng sẽ dùng tay bơm mở Van ngược chiều kim đồng hồ khoảng 2 vòng là đươc.

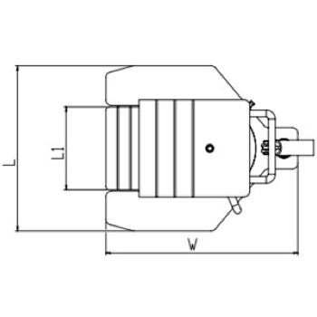
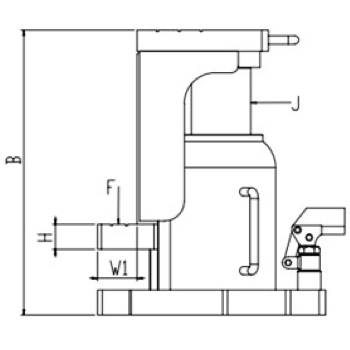
Thông số kích thước của con đội có móng

Mở nhiều vòng van sẽ bị bung ra và dầu sẽ chảy ngược về khoang chứa và đồng thời khi khóa lại cũng phải xoay nhiều vòng. Hơn nữa chúng ta cần mở từ từ để tốc độ xilanh hồi về chậm đảm bảo an toàn cho cả thiết bị thủy lực và người vận hành.

Chiều cao nâng B mm Đường kính Xilanh J mm Chân đế
LxW mm
Bề dày
Móc H
Size móc
L1xW1 mm
Khối
lượng
294 19 140x190 19 65x50 7.4
314 25 150x200 19 65x50 9
322 36 160x217 19 65x50 11.3
388 40 189x242 22 75x55 17
406 52 211x256 25 90x55 23.2
443 56 228x274 25 100x60 33.1
469 70 259x305 32 110x60 52
481 90 299x347 38 150x60 84

Thông qua bảng kỹ thuật trên thì chúng ta có thể lựa chọn được cho mình một con đội móc đúng. Đủ về nhu cầu cũng như chi phí đầu tư tối ưu nhất.

Có thể chọn như sau

  1. Xác định khối lượng vật thể cần nâng.
  2. Các định khoảng cách (khe hở) từ mặt đất và thiết bị cần nâng.
  3. Xác định khoảng cách cần nâng lên bao nhiêu so với vị trí ban đầu.
  4. Xác định phương cần nâng vật thể (nếu các con đội có thiết kế móng và thân trụ tròn sẽ không áp dụng nâng theo phương ngang).

Xác định diện tích về mặt cần nâng, có thể hiểu đơn giản là nếu vật thể cần nâng có diện tích bề mặt và khối lượng lớn mà cần nâng lên một khoảng cao, thì ta cần phân bố các vị trí nâng sao cho cân bằng và đối xứng nhau (có thể là 2, hoặc 3 hoặc 4 con đội nâng cùng lúc ở các góc). Không nên nâng từng góc một mất nguy hiểm.

Cách xác định kích phù hợp

Như vậy thì trong trường hợp khối lượng vật thể là 10 tấn, khoảng cách từ mặt đất đến vật thể là 25mm, chiều cao cần nâng max là 440mm. Thì sẽ chọn Model TOE-200, tải trọng 20 tấn. Tại sao lại chọn tải trọng 20 tấn mà không chọn 10 tấn theo đúng khối lượng vật thể, lý do là:

  1. Khoảng cách từ mặt đất đến vật thể nhỏ nên sẽ không thể đưa hết con đội vào và áp dụng nâng ở đẩu ty xylanh được nên lúc này ta cần sử dụng đầu móc của TOE-200 lúc này phần móc này sẽ hoạt động kéo với tải trọng ½ tải trọng đỉnh xylanh. Như vậy nếu vật thể cần nâng có tải trọng 10 tấn và khoảng cách là 27mm thì sẽ áp dụng TOE-200.
  2. Khoảng nâng vật thể cần nâng lên cao khoảng 440m so với vị trí ban đầu thì con đội Móc sẽ làm việc này. Thao tác đầu bước 1 là sẽ dùng chức năng móc kéo vật thể lên cao hết hành trình móc kéo là 303mm, sau đó sẽ sử dụng các Miếng kê để giữ vật thể ở chiều cao vừa nâng xong, tiếp tục lúc này sẽ thao tác xả van để con đội tụt về hết hành trình và sẽ tiến hàng nâng tiếp ở bước 2 là nâng trực tiếp ở đỉnh Xylanh với tải trọng 20 tấn theo thiết kế Model đang nói tới trên. Các thao tác chỉ mất 2 bước . Còn đối với đội lùn khó thể làm được vì hành trình rất ngắn nên phải thao tác nhiều lần kê – nâng.
  • Cách lựa chọn trên áp dụng tương tự cho các model khác nhé. Như vậy cũng không quá phức tạp để có thể lựa chon một con đội phù hợp nhất.

Thuyết minh kỹ thuật
  • Tích hợp sẵn bơm thủy lực vận hành bằng tay.
  • Kèm theo tay đòn tháo lắp được.
  • Hồi về bằng lò xo.
Bảng giá & Đặt hàng
Mã SKU Giá (VND) Mua Kho Chiều cao đóng Chân đế Hành trình Tải trọng
TOE-025 14.145.000 đ 194mm 140 x 190mm 100mm 2,5 tấn
731040 16.694.000 đ 2 204mm 150 x 200mm 110mm 4 tấn
TOE-060 19.460.000 đ 212mm 160 x 217mm 110mm 6 tấn
TOE-100 22.960.000 đ 258mm 189 x 242mm 130mm 10 tấn
TOE-160 26.620.000 đ 275mm 211 x 256mm 131mm 16 tấn
TOE-200 41.800.000 đ 303mm 228 x 274mm 140mm 20 tấn
TOE-300 54.400.000 đ 322mm 259 x 305mm 147mm 30 tấn
TOE-500 79.075.000 đ 333mm 299 x 347mm 148mm 50 tấn

Đánh giá sản phẩm

Dựa trên 0 đánh giá
0.0
Tổng quan
5★ 0
4★ 0
3★ 0
2★ 0
1★ 0

Hãy là người đầu tiên đánh giá “Con đội lực thủy lực có móng BETEX TOE, kích móc”

Vui lòng đăng nhập để gửi đánh giá.
Sản phẩm vừa xem
Chưa có
096 779 3398 | 098 712 3398 | 096 478 3398 | 096 717 0718
BETEX - Bega Special Tools - Schaeffler Smart Maintenance Tools - Phân phối bởi Minh Khang Vinatools
👉 Tầng 1, Shop Thương mại số S2.0301S08, Đường Cầu Vồng 3, KDT Vinhomes Grand Park, 512 Nguyễn Xiển, Phường Long Bình, Thành phố Hồ Chí Minh, Việt Nam
👉 Showroom: S203 - Vinhome Grand Park - Q9 - Thủ Đức - Tp. Hồ Chí Minh - Vietnam