BETEX
Hotline: 098 712 3398 Email: pkd@mike.vn 🇻🇳 🇬🇧
BETEX
Đai ốc thủy lực

Đai ốc thủy lực Schaeffler HYDNUT-HEAVY

★ 0.0 (0 đánh giá) • Đã bán 0
Lượt xem: 0
Dùng lắp và tháo vòng bi cỡ lớn, trục côn hoặc ren, với lực ép tối đa 12.210 kN và áp suất 700 bar. Dải đường kính 100–900 mm, tích hợp vòng O-ring chỉ thị hành trình, kết hợp với bơm thủy lực Schaeffler, phù hợp ngành đường sắt, hàng hải và công nghiệp nặng.
SKU: HYDNUT-HEAVY
Trạng thái kho: Đặt hàng chờ nhập 4-8 tuần
Vui lòng liên hệ để được báo giá và tình trạng hàng.
Mô tả

Đai ốc thủy lực Schaeffler HYDNUT-HEAVY dùng để tạo lực ép dọc trục lớn khi lắp hoặc tháo vòng bi có lỗ côn, trục ren và các cụm ổ lăn TAROL. Thiết bị làm việc ở áp suất 700 bar, tạo lực ép tới 12.210 kN. Dải đường kính trong từ 100 mm đến 900 mm đáp ứng hầu hết ứng dụng trong ngành đường sắt, hàng hải và công nghiệp nặng.

Đai ốc thủy lực Schaeffler HYDNUT-HEAVY

Khi lắp đặt và tháo vòng bi cỡ lớn, việc tạo ra lực ép dọc trục lớn và chính xác là yêu cầu bắt buộc. Các phương pháp cơ khí thông thường như búa, ê tô hoặc vít me không thể đáp ứng được, đặc biệt với vòng bi côn có đường kính lớn hoặc các cụm trục nặng. Schaeffler phát triển dòng đai ốc thủy lực HYDNUT-HEAVY nhằm giải quyết triệt để vấn đề này.

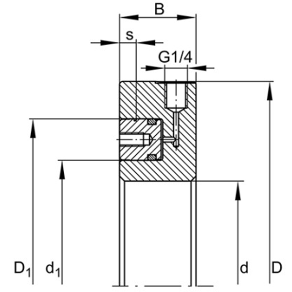
Type Art. no. d D B D1 d1 s H (cm²) Oil cap. (cm³) Pressure
max (bar)
Force I (kN) Weight (kg)
HYDNUT100-HEAVY 7430100 100 225 46 180 125 10 132 145 700 920 11,3
HYDNUT125-HEAVY 7430125 125 245 46 200 150 10 137 151 600 820 12,4
HYDNUT150-HEAVY 7430150 150 270 46 226 180 10 147 161 600 880 14,1
HYDNUT175-HEAVY 7430175 175 305 47 250 205 11 161 193 600 960 17,8
HYDNUT200-HEAVY 7430200 200 330 48 280 230 12 200 260 600 1200 20,1
HYDNUT225-HEAVY 7430225 225 365 48 313 255 12 259 336 500 1290 24,0
HYDNUT250-HEAVY 7430250 250 390 48 345 280 12 319 415 500 1600 26,1
HYDNUT275-HEAVY 7430275 275 430 48 380 305 12 403 525 500 2020 31,8
HYDNUT300-HEAVY 7430300 300 470 54 410 335 12 439 614 500 2190 42,9
HYDNUT325-HEAVY 7430325 325 500 54 440 360 13 503 704 500 2510 47,3
HYDNUT350-HEAVY 7430350 350 540 54 475 385 13 608 851 500 3040 55,4
HYDNUT375-HEAVY 7430375 375 575 54 510 410 13 723 1012 500 3610 62,2
HYDNUT400-HEAVY 7430400 400 620 56 545 440 15 812 1300 500 4060 76,2
HYDNUT425-HEAVY 7430425 425 650 56 575 465 15 898 1438 400 3590 82,1
HYDNUT450-HEAVY 7430450 450 690 63 610 490 17 1037 1866 400 4150 104,5
HYDNUT475-HEAVY 7430475 475 725 63 642 515 17 1154 2077 400 4620 114,6
HYDNUT500-HEAVY 7430500 500 760 66 675 540 20 1288 2705 400 5150 131,1

Đai ốc thủy lực HYDNUT-HEAVY được thiết kế để ép vòng bi lên trục côn hoặc ren, cũng như tháo chúng ra khỏi trục, adapter sleeve hoặc withdrawal sleeve. Lực ép dọc trục cực lớn, từ 920 kN đến 12.210 kN, đủ cho cả các cụm vòng bi lớn trong công nghiệp nặng.

Đai ốc thủy lực Schaeffler HYDNUT-HEAVY

Ứng dụng tháo lắp như chân vịt tàu thủy, trục bánh lái, khớp nối trục hoặc bánh răng lớn. Với đường kính trong từ 100 mm đến 900 mm, HYDNUT-HEAVY bao phủ hầu hết nhu cầu trong bảo trì và lắp đặt máy móc quy mô lớn.

  • Lực ép cực lớn: tạo lực ép dọc trục tối đa 12.210 kN, đáp ứng cả vòng bi cỡ siêu lớn.
  • Dải đường kính rộng: từ 100 mm đến 900 mm, thích hợp với nhiều loại trục và vòng bi.
  • Thiết kế không ren: dễ sử dụng, phù hợp với các bộ adapter sleeve và withdrawal sleeve.
  • Độ an toàn cao: có vòng O-ring màu đỏ chỉ thị hành trình piston, giúp theo dõi quá trình ép.
  • Kết hợp phụ kiện: có thể lắp đồng hồ đo analog hoặc digital để kiểm soát khe hở nổi khi ép vòng bi.
  • Độ tin cậy: làm việc ở áp suất tới 700 bar, dùng chung với các bộ bơm thủy lực Schaeffler HYDNUT.

Thông số kỹ thuật của đai ốc thủy lực

  • Đường kính trong: 100 – 900 mm
  • Lực ép dọc trục: 920 – 12.210 kN
  • Áp suất làm việc tối đa: 700 bar
  • Hành trình piston: hiển thị qua vòng O-ring đỏ
  • Loại: không ren, dễ tháo lắp
  • Phụ kiện: đồng hồ đo digital (Art. No. 74999920) và analog (Art. No. 74999103) tùy chọn

Ứng dụng của đai ốc thủy lực

  • Ngành hàng hải: lắp và tháo chân vịt, bánh lái, trục truyền động tàu thủy.
  • Ngành đường sắt: lắp vòng bi lớn trên trục bánh xe toa tàu.
  • Công nghiệp nặng: ép bánh răng, khớp nối trục, cánh quạt, rotor.
  • Bảo trì và lắp đặt máy móc: sử dụng khi cần lực ép dọc trục lớn mà vẫn đảm bảo an toàn và độ chính xác.
Type Art. no. d D B D1 d1 s H (cm²) Oil cap. (cm³) P.max. (bar) Force (kN) Weight (kg)
HYDNUT525-HEAVY 7430525 525 800 66 710 565 20 1452 3049 400 5810 145,9
HYDNUT550-HEAVY 7430550 550 835 68 742 590 20 1590 3657 400 6360 162,8
HYDNUT575-HEAVY 7430575 575 870 68 775 615 22 1747 4018 400 6990 175,8
HYDNUT600-HEAVY 7430600 600 910 76 808 645 25 1860 4836 400 7440 215,8
HYDNUT625-HEAVY 7430625 625 945 76 840 670 25 2016 5242 400 8060 231,6
HYDNUT650-HEAVY 7430650 650 980 84 875 695 28 2220 6437 300 6660 274,0
HYDNUT675-HEAVY 7430675 675 1020 84 906 720 28 2375 6889 300 7130 297,9
HYDNUT700-HEAVY 7430700 700 1060 88 940 750 30 2522 7818 300 7570 330,5
HYDNUT750-HEAVY 7430750 750 1130 88 1007 800 32 2938 9695 300 8810 381,3
HYDNUT800-HEAVY 7430800 800 1205 92 1070 855 35 3251 11702 300 9750 453,1
HYDNUT850-HEAVY 7430850 850 1275 95 1135 905 38 3685 14372 300 11060 520,3
HYDNUT900-HEAVY 7430900 900 1350 97 1200 960 40 4072 16693 300 12210 595,6

Đai ốc thủy lực Schaeffler HYDNUT-HEAVY là giải pháp tối ưu cho việc lắp và tháo vòng bi cỡ lớn trong các ngành công nghiệp nặng. Với khả năng tạo lực ép hàng chục nghìn kN, dải đường kính rộng đến 900 mm và độ an toàn cao, thiết bị này giúp rút ngắn thời gian bảo trì, giảm thiểu rủi ro và kéo dài tuổi thọ vòng bi cũng như hệ thống truyền động.

Bản rút gọn

Type Art. no. d Force I (kN) Weight (kg) Type Art. no. d Force I (kN) Weight (kg)
100 7430100 100 920 11,3 475 7430475 475 4620 114,6
125 7430125 125 820 12,4 500 7430500 500 5150 131,1
150 7430150 150 880 14,1 525 7430525 525 5810 145,9
175 7430175 175 960 17,8 550 7430550 550 6360 162,8
200 7430200 200 1200 20,1 575 7430575 575 6990 175,8
225 7430225 225 1290 24,0 600 7430600 600 7440 215,8
250 7430250 250 1600 26,1 625 7430625 625 8060 231,6
275 7430275 275 2020 31,8 650 7430650 650 6660 274,0
300 7430300 300 2190 42,9 675 7430675 675 7130 297,9
325 7430325 325 2510 47,3 700 7430700 700 7570 330,5
350 7430350 350 3040 55,4 750 7430750 750 8810 381,3
375 7430375 375 3610 62,2 800 7430800 800 9750 453,1
400 7430400 400 4060 76,2 850 7430850 850 11060 520,3
425 7430425 425 3590 82,1 900 7430900 900 12210 595,6
450 7430450 450 4150 104,5
Bảng giá & Đặt hàng
Mã SKU Kho Áp suất làm việc Đk ngoài Đk trong Độ dày
7430100 700 bar 225mm 100mm 46mm
7430125 600 bar 245mm 125mm 46mm
7430150 600 bar 270mm 150mm 46mm
7430175 600 bar 305mm 175mm 47mm
7430200 600 bar 330mm 200mm 48mm
7430225 500 bar 365mm 225mm 48mm
7430250 500 bar 390mm 250mm 48mm
7430275 500 bar 430mm 275mm 48mm
7430300 500 bar 470mm 300mm 54mm
7430325 500 bar 500mm 325mm 54mm
7430350 500 bar 540mm 350mm 54mm
7430375 500 bar 575mm 375mm 54mm
7430400 500 bar 620mm 400mm 56mm
7430425 400 bar 650mm 425mm 56mm
7430450 400 bar 690mm 450mm 63mm
7430475 400 bar 725mm 475mm 63mm
7430500 400 bar 760mm 500mm 66mm
7430525 400 bar 800mm 525mm 66mm
7430550 400 bar 835mm 550mm 68mm
7430575 400 bar 870mm 575mm 68mm
7430600 400 bar 910mm 600mm 76mm
7430625 400 bar 945mm 625mm 76mm
7430650 300 bar 980mm 650mm 84mm
7430675 300 bar 1020mm 675mm 84mm
7430700 300 bar 1060mm 700mm 86mm
7430750 300 bar 1130mm 750mm 88mm
7430800 300 bar 1205mm 800mm 92mm
7430850 300 bar 1275mm 850mm 95mm
7430900 300 bar 1350mm 900mm 97mm

Đánh giá sản phẩm

Dựa trên 0 đánh giá
0.0
Tổng quan
5★ 0
4★ 0
3★ 0
2★ 0
1★ 0

Hãy là người đầu tiên đánh giá “Đai ốc thủy lực Schaeffler HYDNUT-HEAVY”

Vui lòng đăng nhập để gửi đánh giá.
Sản phẩm vừa xem
Chưa có
096 779 3398 | 098 712 3398 | 096 478 3398 | 096 717 0718
BETEX - Bega Special Tools - Schaeffler Smart Maintenance Tools - Phân phối bởi Minh Khang Vinatools
👉 Tầng 1, Shop Thương mại số S2.0301S08, Đường Cầu Vồng 3, KDT Vinhomes Grand Park, 512 Nguyễn Xiển, Phường Long Bình, Thành phố Hồ Chí Minh, Việt Nam
👉 Vinhomes Grand Park, 512 Nguyễn Xiển, Phường Long Bình, Thành phố Hồ Chí Minh, Việt Nam