BETEX
Hotline: 098 712 3398 Email: pkd@mike.vn 🇻🇳 🇬🇧
BETEX
Đai ốc thủy lực

Đai ốc thủy lực Schaeffler HYDNUT-E-INCH, ren hệ inch

★ 0.0 (0 đánh giá) • Đã bán 0
Lượt xem: 0
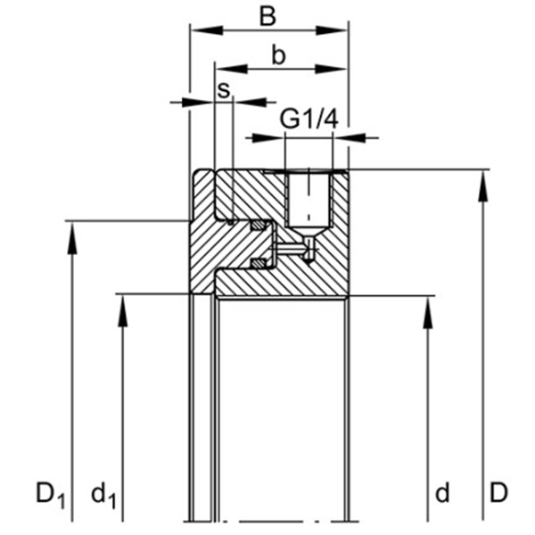
Dành cho vòng bi trên trục ren UN hoặc ACME, dải 49,9–950,2 mm (1,9–37,4 inch). Lực ép tối đa 3957 kN, áp suất 700 bar. Có vòng O-ring chỉ thị hành trình và thông số khắc trên thân, thích hợp cho công nghiệp nặng và hàng hải.
SKU: HYDNUT-E-INCH
Trạng thái kho: Đặt hàng chờ nhập 4-8 tuần
Vui lòng liên hệ để được báo giá và tình trạng hàng.
Mô tả

Đai ốc thủy lực Schaeffler HYDNUT-E-INCH dùng để lắp và tháo vòng bi trên trục có ren hệ inch (UN hoặc ACME). Đai ốc tạo lực ép dọc trục lớn, giúp ép hoặc tháo vòng bi, khớp nối, bánh răng và các cụm trục công nghiệp nặng.

Đai ốc thủy lực Schaeffler HYDNUT-E-INCH, ren hệ inch

HYDNUT-E-INCH có dải đường kính trong 49,9–950,2 mm (1,9–37,4 inch). Tạo lực ép tối đa 3957 kN ở áp suất vận hành 700 bar. Các loại từ UN320 trở lên sử dụng ren hình thang (Tr), mở rộng đường kính ren đến 950 mm.

Tất cả các đai ốc HYDNUT-E-INCH đều có vòng O-ring chỉ thị hành trình piston. Thông số kỹ thuật quan trọng như áp suất tối đa và bước ren được khắc trực tiếp trên thân đai ốc, giúp kiểm soát chính xác khi lắp đặt.

Lưu ý về áp suất làm việc

Khi sử dụng đai ốc thủy lực Schaeffler, không nên mặc định tất cả đều làm việc ở 700 bar. Mỗi mã đai ốc có giới hạn áp suất khác nhau, được khắc trực tiếp trên thân ngoài và thể hiện rõ trong bảng thông số. Kích thước đai ốc càng lớn, diện tích piston càng rộng thì áp suất danh định thường được giảm xuống (từ 700 bar về 500, 400 hoặc 300 bar) để duy trì lực ép trong giới hạn an toàn.

Người dùng cần đọc đúng chỉ số áp suất tối đa của từng mã trước khi kết nối bơm thủy lực. Vượt quá giới hạn này có thể gây hư hỏng ren, biến dạng piston hoặc rò rỉ dầu, ảnh hưởng đến an toàn khi tháo lắp vòng bi và cụm trục.

Đai ốc thủy lực Schaeffler HYDNUT-E-INCH

Schaeffler cũng cung cấp đồng hồ đo hành trình dạng điện tử (Art. No. 7499920) và cơ khí (Art. No. 7499910) để đo khe hở nổi của vòng bi trong quá trình bảo trì.

  • Dải đường kính trong: 49,9–950,2 mm / 1,9–37,4 inch
  • Lực ép tối đa: 3957 kN
  • Áp suất vận hành: 700 bar
  • Ren: UN hoặc ACME (chuyển sang Tr ren sau UN320)
  • Có vòng O-ring chỉ thị hành trình
  • Khắc thông số áp suất và ren trên thân ngoài
  • Lắp tháo vòng bi cỡ nhỏ đến lớn trên trục ren inch
  • Sử dụng cho trục côn, ống lót adapter, ống lót tháo
  • Phù hợp cho hàng hải, công nghiệp nặng, truyền động trục lớn, tàu thủy và đường sắt

So sánh Schaeffler HYDNUT

  • HYDNUT-HEAVY: chuyên dùng cho tải rất lớn, Ø100–900 mm, lực ép cao nhất (12.210 kN).
  • HYDNUT-E: dùng cho ren hệ mét và hình thang, dải ứng dụng rộng nhất (tới Ø1180 mm).
  • HYDNUT-E-INCH: chuyên cho thị trường dùng ren inch (UN/ACME), lực ép thấp hơn, Ø49,9–950,2 mm.
Đặc điểm HYDNUT-HEAVY HYDNUT-E HYDNUT-E-INCH
Loại ren Trơn (không ren), lắp bằng tay trên trục côn hoặc ống lót Ren hệ mét (M50–M200) và hình thang Tr205–Tr1180 Ren hệ inch (UN/ACME), từ UN50 đến UN320, sau đó chuyển sang Tr
Dải đường kính 100 – 900 mm M50 – M200 / Tr205 – Tr1180 (tới Ø1180 mm) 49,9 – 950,2 mm (1,9 – 37,4 inch)
Lực ép tối đa 920 – 12.210 kN 214 – 8.050 kN 214 – 3.957 kN
Ứng dụng chính Vòng bi cỡ lớn, trục tàu thủy, tua-bin, khớp nối công nghiệp nặng Vòng bi và trục ren hệ mét / hình thang, công nghiệp nặng, đường sắt, đóng tàu Vòng bi trục ren inch (UN/ACME), ứng dụng ở Mỹ, Canada, thị trường dùng hệ inch
Đặc điểm nổi bật Không ren, dùng linh hoạt trên nhiều loại trục côn/ống lót Hỗ trợ cả ren mét và ren Tr, dải rộng nhất đến Ø1180 mm Chuyên cho ren inch, chuyển sang Tr ở kích cỡ lớn hơn
Phụ kiện hỗ trợ Đồng hồ đo hành trình, bơm thủy lực Schaeffler Đồng hồ đo hành trình điện tử/cơ khí, bơm thủy lực Schaeffler Đồng hồ đo hành trình điện tử/cơ khí, bơm thủy lực Schaeffler
Bảng giá & Đặt hàng
Mã SKU Kho Áp suất làm việc Đk ngoài Độ dày
7420050 700 bar 110mm 40mm
7420055 700 bar 118mm 40mm
7420060 700 bar 125mm 40mm
7420065 700 bar 132mm 40mm
7420070 700 bar 140mm 40mm
7420075 700 bar 145mm 40mm
7420080 700 bar 150mm 40mm
7420085 700 bar 155mm 40mm
7420090 700 bar 160mm 41mm
7420095 700 bar 165mm 41mm
7420100 700 bar 170mm 41mm
7420105 600 bar 175mm 43mm
7420110 600 bar 180mm 43mm
7420120 600 bar 190mm 43mm
7420130 600 bar 200mm 44mm
7420140 600 bar 210mm 44mm
7420150 600 bar 220mm 44mm
7420160 600 bar 235mm 47mm
7420170 600 bar 245mm 47mm
7420180 600 bar 255mm 47mm
7420190 600 bar 270mm 50mm
7420200 600 bar 280mm 50mm
7420220 500 bar 305mm 52mm
7420240 500 bar 330mm 53mm
7420260 500 bar 355mm 55mm
7420280 500 bar 380mm 56mm
7420300 500 bar 405mm 62mm
7420320 500 bar 430mm 63mm
7420340 500 bar 450mm 64mm
7420360 500 bar 475mm 65mm
7420380 500 bar 500mm 66mm
7420400 500 bar 525mm 69mm
7420420 400 bar 545mm 70mm
7420440 400 bar 565mm 75mm
7420460 400 bar 590mm 77mm
7420480 400 bar 612mm 79mm
7420500 400 bar 635mm 81mm
7420530 400 bar 670mm 81mm
7420560 400 bar 705mm 87mm
7420600 400 bar 750mm 89mm
7420630 400 bar 780mm 89mm
7420670 300 bar 825mm 90mm
7420710 300 bar 870mm 97mm
7420750 300 bar 922mm 100mm
7420800 300 bar 970mm 101mm
7420850 300 bar 1020mm 101mm
7420900 300 bar 1070mm 102mm
7420950 300 bar 1125mm 103mm

Đánh giá sản phẩm

Dựa trên 0 đánh giá
0.0
Tổng quan
5★ 0
4★ 0
3★ 0
2★ 0
1★ 0

Hãy là người đầu tiên đánh giá “Đai ốc thủy lực Schaeffler HYDNUT-E-INCH, ren hệ inch”

Vui lòng đăng nhập để gửi đánh giá.
Sản phẩm vừa xem
Chưa có
096 779 3398 | 098 712 3398 | 096 478 3398 | 096 717 0718
BETEX - Bega Special Tools - Schaeffler Smart Maintenance Tools - Phân phối bởi Minh Khang Vinatools
👉 Tầng 1, Shop Thương mại số S2.0301S08, Đường Cầu Vồng 3, KDT Vinhomes Grand Park, 512 Nguyễn Xiển, Phường Long Bình, Thành phố Hồ Chí Minh, Việt Nam
👉 Vinhomes Grand Park, 512 Nguyễn Xiển, Phường Long Bình, Thành phố Hồ Chí Minh, Việt Nam